Многогранная опора ПМ10-2
Наличие
Есть
Доставка
По России и СНГ
Оплата
Безналичный расчет
Технические характеристики
Описание
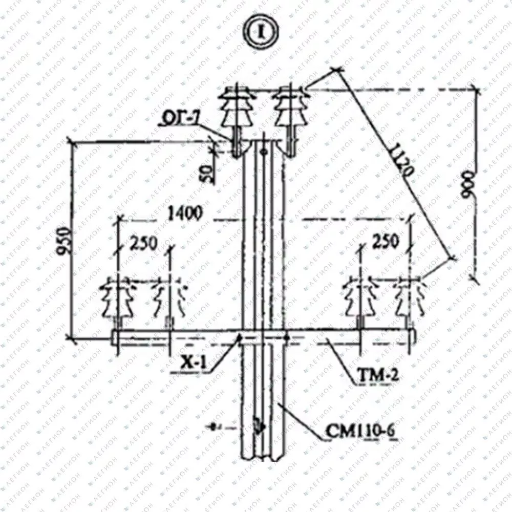
Многогранная опора ПМ10-2, производимая по типовому проекту 22.0028, является одноцепной свободностоящей конструкцией для строительства и реконструкции воздушных линий электропередачи классом напряжения 10 кВ. Общая высота опоры составляет 9,3 метра, что обеспечивает безопасное расстояние проводов до земли и объектов. Ключевой особенностью этой модели является метод установки: опора монтируется путем прямого заглубления нижней части в грунт с последующим бетонированием, что полностью исключает необходимость устройства монолитного фундамента. Для изготовления несущего ствола используется конструкционная сталь марки С245, гарантирующая необходимую прочность и жесткость. Надежную защиту от коррозии на протяжении всего срока службы обеспечивает покрытие методом горячего цинкования. Конструкция сертифицирована для эксплуатации в ветровых районах с I по VI, что подтверждает ее устойчивость в различных климатических условиях России.
Конструкция опоры представляет собой конический граненый ствол с нижним диаметром 310 миллиметров. Отсутствие тросостойки для грозозащитного троса указывает на ее применение на участках, где такая защита обеспечивается иными проектными решениями. Весь процесс монтажа сводится к нескольким операциям: подготовке котлована заданной глубины, установке в него опоры, выверке вертикального положения и последующему бетонированию подземной части. Такой технологичный подход позволяет значительно сократить сроки строительства, минимизировать объем земляных работ и снизить общую стоимость монтажа. Опора поставляется в виде готового изделия, не требующего сборки на месте, что ускоряет процесс установки.
Применение
Данная модель применяется для сооружения прямых участков трасс распределительных сетей 10 кВ в сельской и городской местности. Опора ПМ10-2 оптимальна для строительства новых линий электропередачи к дачным поселкам, коттеджным массивам и объектам инфраструктуры. Она широко используется при модернизации существующих воздушных линий с заменой устаревших деревянных опор на современные и долговечные стальные конструкции. Благодаря простому методу установки опора востребована на участках со сложным рельефом, в болотистой местности или на каменистых грунтах, где традиционный фундаментный монтаж затруднен или экономически нецелесообразен. Конструкция также применяется для организации ответвлений от основных магистралей к отдельным потребителям.
Преимущества практического использования
Выбирая продукцию НПО «Легион», вы получаете надежное решение, созданное с учетом многолетнего опыта работы в энергетике. Технология горячего цинкования обеспечивает комплексную антикоррозионную защиту не только надземной, но и заглубленной части опоры, напрямую контактирующей с грунтом. Это гарантирует расчетный срок службы конструкции не менее 30 лет без необходимости проведения восстановительных работ. Свободностоящее исполнение без оттяжек экономит полезное пространство, не создает препятствий для сельскохозяйственной или иной деятельности и упрощает обслуживание трассы линии. Унификация размеров в соответствии с типовым проектом обеспечивает полную взаимозаменяемость опор и их легкую интеграцию в проекты различного масштаба. Все изделия проходят многоступенчатый контроль качества и соответствуют требованиям отечественных стандартов и технических регламентов для объектов электроэнергетики.
Купить Многогранная опора ПМ10-2
Наше предприятие осуществляет полный цикл производства металлоконструкций для энергетики, от обработки листового металла до нанесения финишного защитного покрытия. Мы предлагаем гибкие условия сотрудничества, индивидуальный подход к каждому заказу и оперативные сроки изготовления. Наши специалисты готовы предоставить полный комплект технической документации, оказать консультативную поддержку по вопросам монтажа и помочь в подборе оптимальных решений для вашего проекта. Для расчета стоимости, оформления заказа на партию опор ПМ10-2 или получения подробных технических консультаций свяжитесь с нами по указанным контактам. Мы обеспечиваем доставку продукции транспортными компаниями во все регионы Российской Федерации.
Телефон: 8(800)500-51-37
Email: info@legionural.ru
Голосов 12 Рейтинг 4.8